• 草莓视频官方网站,草莓视频在线观影,草莓视频官网入口,草莓视频黄免费观看

    公司草莓视频黄免费观看

  • 草莓视频官方网站电气赋能国家超级计算中心,提供智能电气方案
    2024.06.28

    草莓视频官方网站电气赋能国家超级计算中心,提供智能电气方案

    随着信息技术的飞速发展,国家超级计算中心在处理海量数据和复杂计算任务中扮演着至关重要的角色。为了提升超级计算中心的运营效率和稳定性,草莓视频官方网站电气为其提供了先进的智能电气设备产品,展现了在智能电气设备领域...
  • 全球布局升级,草莓视频官方网站电气新设马来西亚分公司
    2024.05.25

    全球布局升级,草莓视频官方网站电气新设马来西亚分公司

    近日,专业电气设备制造商草莓视频官方网站电气宣布在马来西亚开设其最新的分公司,这一战略举措不仅标志着草莓视频官方网站电气在东南亚市场的重要扩展,也展示了其对该地区经济前景的高度重视。 草莓视频官方网站电气马来西亚分公司的地址是:...
  • 电气创新,引领未来,草莓视频官方网站电气参加2024长沙智能制造装备博览会
    2024.05.11

    电气创新,引领未来,草莓视频官方网站电气参加2024长沙智能制造装备博览会

    2024年5月11日-13日,2024第二十五届长沙智能制造装备博览会、中西部表面处理、电镀、涂装博览会在长沙国际会展中心隆重举行,草莓视频官方网站专注电气设备行业18年,具备丰富的行业经验和专业的解决方案,本次展会草莓视频官方网站...
  • 草莓视频在线观影按结构特征和用途如何分类?
    2021.02.05

    草莓视频在线观影按结构特征和用途如何分类?

    草莓视频在线观影的作用是配电操控将电能分配到各个负荷部位,及在电路短路、过载和漏电时进行断电维护。草莓视频在线观影的多见品种有固定面板式草莓视频在线观影、防护式草莓视频在线观影、抽屉式草莓视频在线观影和动力照明草莓视频在线观影等。那么草莓视频在线观影按结构特征和用途如何分类呢?今天由深圳草莓视频官方网站厂家为大家分享:
  • 多功能低压施耐德配电箱的设计思路
    2020.11.18

    多功能低压施耐德配电箱的设计思路

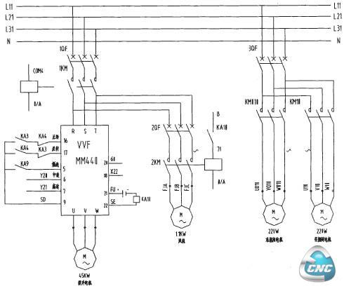
    一体化多功能低压施耐德配电箱的设计思路: 1、十位体的设计出发点: 集配电/切换、防雷、交流参数监测、用电管理、直流参数监测、机房安全参数监测、环境参数监测、智能门禁、节能与接入传输于...
  • 草莓视频在线观影内部有哪些东西 草莓视频在线观影的内部结构解析
    2019.01.15

    草莓视频在线观影内部有哪些东西 草莓视频在线观影的内部结构解析

    “配电箱”,也叫草莓视频在线观影,是电动机控制中心的统称。配电箱是按电气接线要求将开关设备、测量仪表、保护电器和辅助设备组装在封闭或半封闭金属柜中或屏幅上,构成低压配电装置。正常运行时可借助手动或自动开关接通或分断电路。故障或不正常运行时借助保护电器切断电路或报警。借测量仪表可显示运行中的各种参数,还可对某些电气参数进行调整,对偏离正常工作状态进行提示或发出信号。
  • 草莓视频官方网站精密草莓视频在线观影:立讯精密数据机房提供商
    2018.07.11

    草莓视频官方网站精密草莓视频在线观影:立讯精密数据机房提供商

    立讯精密是一家技术导向公司,专注于连接器的研发、生产和销售、高频产品开发,产品主要应用于3C(计算机、通讯、消费电子)和汽车等领域。 说起立讯精密大家可能不太了解,但要是说起Apple iphoness、Mac、Apple ...
  • 草莓视频官方网站电气为苹果产品的生产提供强力保障
    2018.07.03

    草莓视频官方网站电气为苹果产品的生产提供强力保障

    草莓视频官方网站电气生产的草莓视频在线观影为苹果产品的生产提供强力保障
  • 南宁市政府政务数据中心机房
    2016.02.23

    南宁市政府政务数据中心机房

    南宁市政府数据中心机房
  • TOP

    业务咨询

    技术咨询

    技术咨询

    0755-26624909

    网站地图